Classification
智能产品TNfs系列复合开关

一、产品概述
TNfs系列智能复合开关代表目前复合开关最高技术水准之产品,其结合了机械触头低能耗和固态继电器无操作电弧的优点,实现继电器无电弧接通分断操作或过零接通,将磁保持继电器和晶闸管的使用优点结合在一起,投切电容器时保证电压过零合闸和电流过零分闸;开关通断时涌流小和无过电压,触点不烧结;运行中压降小,耗能低,不产生谐波,本产品技术、性能及可靠性在国内外处于领先水平,其适用于低压无功补偿的电容器、电热丝、灯、电机、电阻等负载的投切,是一种新型智能化的环保型低压开关。
二、产品特点:
1、 TNfs系列智能复合开关采用业界领先的电容储能超前过零触发专利技术,保证了更低的接通电流值,克服了市场上同步开关、复合开关存在较大接通涌流、机械触点烧损快、粘连、晶闸管击穿等可靠性差的问题。
2、本系列智能复合开关采用了全球唯一无需触发变压器、无需高压电子控制控制晶闸管无涌导通、无电弧分断的专利技术,不存在变压器触发占空比和高压电子开关带来的过零盲区及高压电子开关击穿的缺点。
3、与同类产品相比,本系列智能复合开关采用了电流或电压反馈及限流专利技术,晶闸管的工作导通时间为理论的最小(小于半个波),是目前国内外晶闸管所需导通时间最短、同等容量下过载力最强的复合开关,具有极高的瞬间负载故障冲击电流的耐受力和有效抑制负载电容自愈放电电流,极大降低了开关的故障几率。
三、技术参数:
环境温度:-25℃~+45℃
额定频率:50/60HZ
电路功耗:≤1VA
接触压降:≤0.1V
相对湿度:40℃时,20%~90%
额定工作电压:450V/250V AC
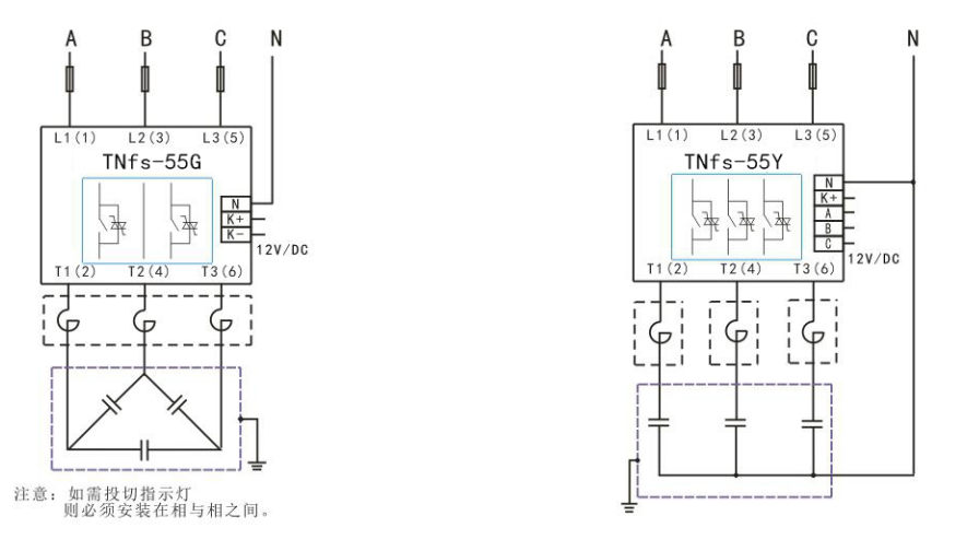
相数:三相(△形接法、角内接法)、单相(Y形接法)
每次接通与关断间隔: ≥1秒
连续两次接通间隔: ≥10秒
触点耐压:≥1600V
控制信号:12V DC
使用寿命:10或100万次
四、选型说明

五、产品规格

六、产品接线图
